|
INTERFACE for DIGITAL MODE & SSTV |
||||||||||||
![]() |
||||||||||||
| ******************************************************** | ||||||||||||
![]() |
![]() |
![]() |
||||||||||
| FRONT VIEW | INSIDE VIEW | BACK VIEW | ||||||||||
![]() |
||||||||||||
|
Block schematic for connecting TRANSRECEIVER - INTERFACE - PC |
||||||||||||
![]() |
||||||||||||
|
El. schematic of isolated interface for digital mode & SSTV |
||||||||||||
![]() |
||||||||||||
|
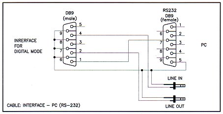
El. schematic for cable : DIGITAL MODE-SSTV INTERFACE - PC |
||||||||||||
![]() |
![]() |
|
||||||||||
| TS2000 | TS930S | TS850 | ||||||||||
![]() |
![]() |
|
||||||||||
| TS50S | TS480 | TM241 | ||||||||||
|
|
|
![]() |
||||||||||
| FT290R | FT920 | IC706MKII | ||||||||||
|
|
![]() |
|
||||||||||
| FT1000MP MARK 5 | JST245 | TS450 | ||||||||||
![]() |
![]() |
|||||||||||
| FT840 | IC-M600 | |||||||||||
|
El. schematic for cable : DIGITAL MODE-SSTV INTERFACE - TRANSCEIVER ( click on picture ) |
||||||||||||
| REFERENCE | ||||||||||||
| 9A0W | 9A1R | 9A2JY | 9A3JB | 9A3SM | 9A3ZC | 9A4VM | 9A5BDD | 9A5ZA | 9A6ST | 9A7K | 9A9L | YU1RP |
|
ALL THIS MY FRIENDS USING MY SIMPLE DIGITAL MODE - SSTV INTERFACE |