| 9A CW SMART KEYER by 9A5ANB ( please click on picture to enlarge ) |
![]() |
||
|
FRONT SIDE |
BACK SIDE | TOP VIEW |
![]() |
![]() |
![]() |
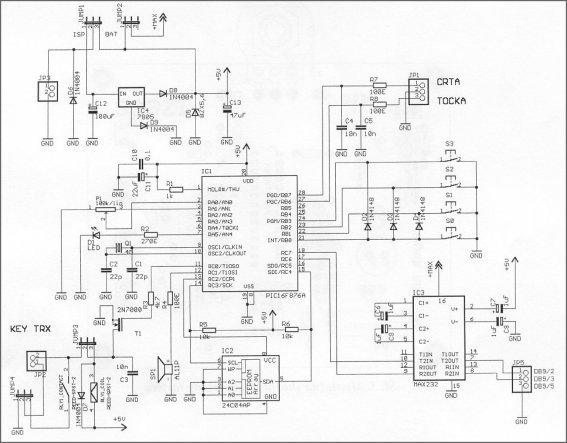
| CW SMART KEYER | SCHEMATIC | PCB |
| More detail on web page of 9A5ANB ( click here ) | ||