
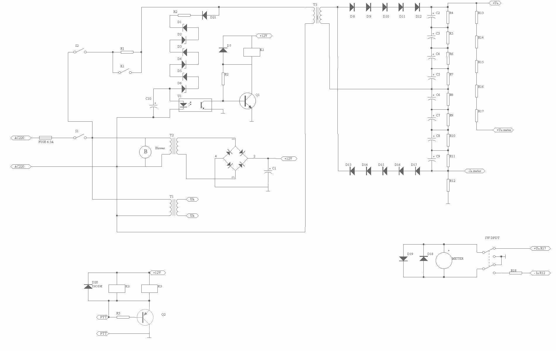
S1=250V/16A
S2=250V/16A
R1=180 ohm/5W
R2=4.7 kohm
R3=470 ohm
R4.....R11=100 kohm/2W
R12=1 ohm/5W
R13=1 Mohm/1W
R14=1 Mohm/1W
R15=1 Mohm/1W
R16=100 kohm/1W
R17=100 kohm/1W
R18=620 ohm
D1....D6=BZX 33
D7....D21=1N5408
C1=2200mF/16V
C2.....C9=220mF/400V
C10=47mF/10V
K2=12V DPDT
K3=Coaxial relay
meter=1mA
U1=4N26
Q1=BD239
Q2=BD240
T1=12.6V/4A
T2=12V
T3=1000V/1A