ノイズキャンセラの製作

Last Modified at

これは「アパマンハムハンドブック」で紹介されているノイズキャンセラを作ってみました。これはメインアンテナとノイズアンテナを用いて、2つのアンテナで受信した信号の片方の位相を調節することで雑音を除去するというものです。


アパマンハムハンドブックには簡単な説明と回路図しか載っていませんが、Ham Journal No.96(これもオークションで落札した)に少し詳しい製作と性能の評価に関する記事があります。具体的な除去の方法は次のようなかんじです。


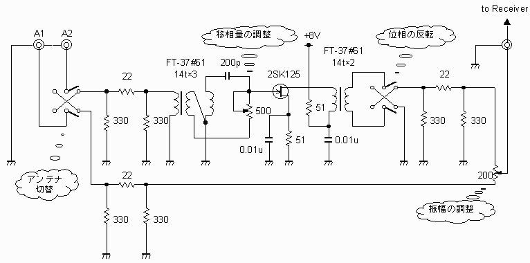
ノイズアンテナから入ってきた信号の位相と振幅を調節してメインアンテナの信号に合成します。移相量と振幅を合わせるとノイズが逆相で加算されてキャンセルされるという仕組みです。回路は非常に簡単なもので、位相器は2SK125によるバッファアンプとその前後のインピーダンス整合用のトロイダルコアによるトランスからなります。利用する周波数帯によってトロイダルコアの巻き数が変わります(上記Ham Journal誌を参照してください)。ここでは7MHz用にFT-37#61にトリファイラ巻きとバイファイラ巻きそれぞれ14回巻きにしました。

まず試しに7MHzのアンテナの信号をここで紹介した2分配器で二つに分けて二つのアンテナ入力に入れました。そして信号を受信しながら振幅と位相を適当にVRで調節すると、ある点で信号が弱まります。弱まるレベルはS5の信号がS2程度になるくらいかな?理論的にはこれが0(ゼロ)になる筈ですが。

次にノイズアンテナとして庭に埋めたアース棒から2階まで引っ張っているアース線(実にこれが全くアースの役目を果たしていない!!)を使いました。このアンテナ(?)だけで受信すると、実に家から発生するノイズを拾ってくれます。これを使って位相と振幅を調整すると、うまくするとノイズが消えます。

アンテナによるのでしょうが、そんなに「効果絶大」というわけではありませんが、場合によってはSメータで3〜4程度の「ブーン」という蛍光灯のインバータノイズが、全く聞こえなくなる程度にはなります。実用性はともかく、面白くていろいろ「雑音キャンセル効果」を試してみました。7MHz帯用に作りましたが、14MHzや21MHzでもそれなりに動作するようです。3.5MHz帯では全く効果なしでした。





HOME HOME BACK FORWARD
[email protected]