BASIC STAMP This link takes you to the Parallax web site. Documentation, schematics and the windows program. to program the Basic Stamp can be found here.

The Basic Stamp is a PIC Microcontroller, Oscillator, Additional Memory, Voltage Regulation and a BASIC I/O Interpreter all built onto one little circuit board the size of a 24 Pin IC or the size of a large postage stamp. I started experimenting with these long before I found a program that would let me program to PIC's in a standard BASIC.
NOTE: When I started with working with these devices, I purchased the "Starters Kit". This includes a BSII stamp, Documentation, Carrier Card, Cable and software. If I had to do it over again I would just purchase the Carrier card and a BSII. The documentation and software are available free for the downloading at the Parallax site. The programing cable is a DB9 Male/DB9 Female straight through cable available at most computer or office supply stores.
AUTOMATED FOX
Automated Fox. Click on link for program listing.
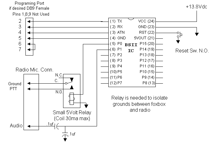
This program and a BASIC STAMP II allows you to make an Automated FOX for radio direction finding fun. This could also be used for a propagation beacon
Device keys the radio then


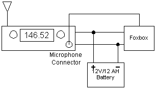
The program DIT and DAH routines will have to be edited to send your call sign. Please do not use my call sign for your fox. I mounted the Radio, 12V, 12 AH gel cell and the Fox Box in an ammo can. A chassis mount BNC connector was then added and a rubber duck antenna was added to the ammo can so it would be self contained. A locking hasp and lock was added to the box to keep the equipment from being stolen. Add a piece of chain and chain it to something. I also added a small clipboard with 3x5 cards with the numbers 1 to 5 printed on individual cards. As the hunters found the Fox, they took a number off of the clipboard to prove who was the first to the Fox. I would hide the key to the chain and lock and nearby and tell the first hunter to the Fox where it was.
As a note to future builders of this device: Please add to the side of the box, a sheet of paper with your name, phone number, and Call Sign. and a brief description of what the box does. Tape this firmly to the side of the box with clear packing tape. Mine got reported to the police as a "Suspicious Device" and by the time the fox hunters got to it, the bomb squad was involved.
Garage Door Opener
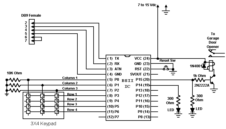
Garage Door Combination Lock Click on this link for the program listing.
This program and a BSII IC will make a keypad entry for a garage door opener. The original code was written by Jim Steinman for a BS1 IC and modified by me to work on a BSII. The code is heavily commented by both of us and contains construction notes.
I prefer the BS2 to a PIC for this application. Its easy to change the combination using the programing port rather than remove the PIC reprogram and replace the PIC.

I remoted the keypad and left the electronics inside the house using RJ-45 jacks and connectors. I used Cat 5 four pair wire for the wiring to remote the keypad. Various keypads were tried including the membrane style keypads from Radio Shack and Pactec. I finally settled on the XL series of keypads by Digitran. I found these at a local surplus store and at B.G. Micro.