废物利用之用手机维修接口改制写频器
上面这个东西是我和BG0FK、BG0EI一起逛旧货市场的时候买的,连一根1米长的COM口延长线一共10元钱,当初的想法是想拆掉留个外壳的,质量不错。看看里面吧……
基本电路包括5V稳压电路,一个232接口电路,一个传统分离元件的接口电路,两套电路还可以交叉使用,PCB质量也不错。
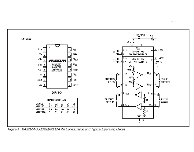
232电路使用的是一个HIN232CP芯片,它和MAX232内部结构是一样的!

本人手里也有几部KENWOOD手持机,很想试试用计算机写频是怎么一回事,就找了找资料,改一改试试看行不行,同时把写频器相关的知识做个梳理……
1、写频线电路基本可以分为三部分:
第一部分;与电脑连接的RS232接口部分。包括232九针插头、MAX232芯片、4只电容。这部分不会变的,不管什么对讲机、还是手机基本都一样。
第二部分; +5v供电电源部分。可以八仙过海各显神通,只要满足电压电流的需要什么方法都可以。
第三部分;与对讲机或手机连接的接口部分;这部分接口的样子虽然有很多,但从电路上来说基本就是两种。一种是两线的,gnd和data,那就要加上一只三极管进行收发转换。
2、关于RS-232和TTL、CMOS逻辑电平
RS-232是异步串行通信中一种古老的标准总线,它包括了串行传输的电器和机械方面的规定。一个完整的232接口有22根线,采用标准的25针插头座,在一些老电脑上能看到。现在的电脑上采用9针插头座,一般有两个,叫COM1、COM2。关于针脚的定义,牛犊哥哥已有贴子介绍啦。
我要说的是它的数据的形式。由于RS-232是早期为促进公用电话网络进行数据通信而制定的标准,它的逻辑电平对地是对称的,逻辑0为+5到+15v;逻辑1为-5到-15v。而对讲机或手机是TTL、CMOS逻辑电平,是不对称的,且逻辑0为0v;罗缉1为+5v。所以它们不能直接通信(对话),必须通过电平转换(翻译),这个翻译就是我们制作写频器时使用的MAX232芯片。

收、发端的数据信号是相对于信号地,如从DTE设备发出的数据在使用DB25连接器时是2脚相对7脚(信号地)的电平,DB25各引脚定义参见图1。典型的RS-232信号在正负电平之间摆动,在发送数据时,发送端驱动器输出正电平在+5~+15V,负电平在-5~-15V电平。当无数据传输时,线上为TTL,从开始传送数据到结束,线上电平从TTL电平到RS-232电平再返回TTL电平。接收器典型的工作电平在+3~+12V与-3~-12V。由于发送电平与接收电平的差仅为2V至3V左右,所以其共模抑制能力差,再加上双绞线上的分布电容,其传送距离最大为约15米,最高速率为20kb/s。RS-232是为点对点(即只用一对收、发设备)通讯而设计的,其驱动器负载为3~7kΩ。所以RS-232适合本地设备之间的通信。其有关电气参数参见表1。

DCE,DCE的含义和判断方法
DTE是数据终端设备,如终端,是广义的概念,PC也可以是终端。
DCE是数据通信设备,如MODEM,连接DTE设备的通信设备。
判断DTE还是DCE的方法:
1)可以测量232串口的2、3脚电压,以7为地线。DTE的2脚(TD)电压小于-3V。否为0V。
2)如果3脚(RD),小于-3V,为DCE,
3)通常,DTE设备在TD
RTS DTR上提供电压,而DCE设备在RD
DSR CD上提供电压。


4、串口转接线
这种转接线适用于9针串口和25针串口的转换。
首先,根据需要(9转25或25转9)选择两个转接头。选择方法如下:
9针转25针(9针公头,25针母头)。25针转9针(25针公头,9针母头)。然后使用尽量短的带屏蔽的多芯连接线。连接方法如下表:

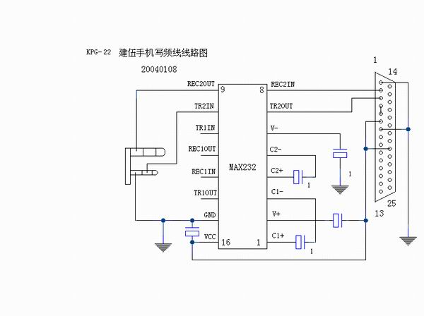
下面是KENWOOD KPG-22写频器图纸

电路是很简单的,自制也是可以的,需要的元件列表如下:
电容都是1uf/25v
3.5mm立体声插头
2.5mm立体声插头
9针或25针COM插头,现在大家的计算机基本都是9针的COM口了,请对照上面的转接方法改一下就可以。
事实上这个接口可以说是通用的,只要按照需要改变输出部分,就可以给绝大多数的机器写频!也就是说,按照机器不同改改写频线就可以了,如果要给MOTO的机器写频,可以看看下面这个图,加上一个收发转换就可以了……

做好以后用KENWOOD G71A做了试验,使用正常,制作成功!